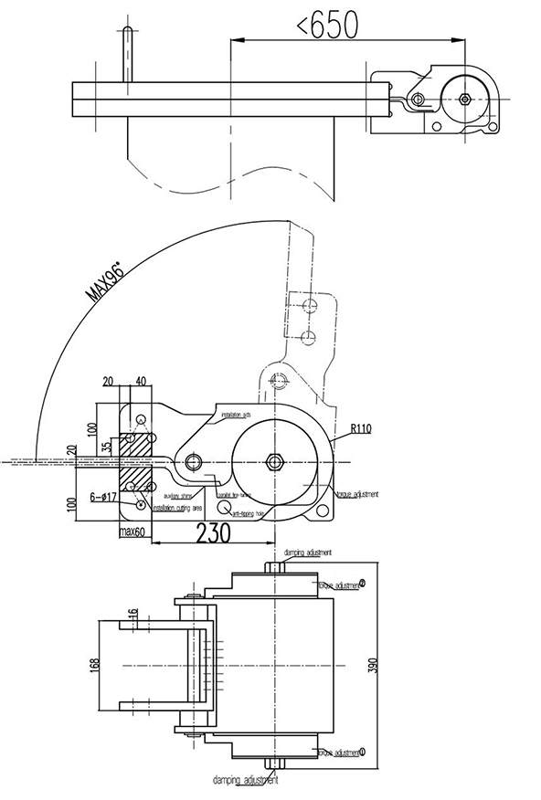
설치 다이어그램

매개 변수 설명
무게 : 130 ℃
토크 범위 : 85-120kg · m
직경 : φ840mm
설치 지침
1 h 맨홀 플랜지와 맨홀 덮개가 최소 클리어런스임을 확인하고 덮개와베이스 사이의 최소 거리를 측정하십시오.
2 Scribe 및 측정 된 치수에 따라 밸런서 연결 조각을 자릅니다. 최대 절단 거리에서 장착 구멍을 반으로 자릅니다 (그림).
3 right 왼쪽과 오른쪽 덮개를 제거하고 보호 상태에서 커버를 최대 위치로 열고, 토크 조정 1에서 와이어 상단 스터드를 나사로 나사로, (일반적으로 와이어 상단 스터드 및 초승달 플레이트는 접촉 후 5mm 씩 계속 위로 올라갑니다) 프리스트레싱 력을 증가시킵니다. 10 ° -20 ° 사이의 맨홀 플랜지로 쉽게 휴식을 취할 수 있도록 맨홀 덮개를 닫을 수 있도록 (10 ° -20 ° 사이의 커버와 플랜지가 쉽게 유지할 수 없다면 위의 작동을 반복하십시오. 위의 조작을 반복하십시오. 실크 상단의 거리를 조정하십시오. 토크 조정 1이 완료되면, 토크 조정 2가 사용될 수 있습니다.
4 、 강도 용접. 밸런서 재료는 S30408입니다. 참고 용접 소모품의 선택.
5 MANHOLE 커버가 완전히 열려 있고 방지 구멍에 적절한 볼트가 장착되면 장착 보조 볼트를 풀고 보조 개스킷을 제거하십시오. 볼트는 상황과 평행하게 미세 조정되어 최상의 결과를 얻을 수 있습니다.
메모:
1 iz 귀환되지 않은 설치의 경우 맨홀 커버를 소량으로 위로 이동하고 설치하면 오정렬의 양이 줄어 듭니다.
2 to 연결판을 설치를 확장 할 때 표시된 구멍 및 치수와 일치시킵니다. 직접 용접 또는 볼트 (특수 재료)를 사용할 수 있습니다.
이 웹사이트는 귀하가 당사 웹사이트에서 최상의 경험을 할 수 있도록 쿠키를 사용합니다.